全文如下
企业名称:内蒙古ok138cn太阳集团52901有限公司
战略合作电话:0477--8963561
产品销售电话:0477-3856111 15647735888
伊金霍洛旗办事处电话:0477--8963561
邮箱:znjt_2011@163.com
地址:内蒙古鄂尔多斯市伊金霍洛旗汇能煤电煤化工园区
网址:www.zhengnengjituan.com

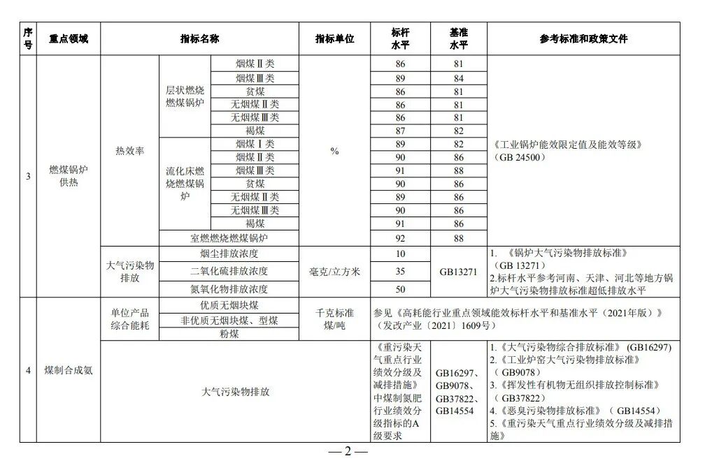
5月10日,国家发改委等部门发布关于《煤炭清洁高效利用重点领域标杆水平和基准水平(2022年版)》的通知。
通知提出,对新建煤炭利用项目,应对照煤炭清洁高效利用重点领域标杆水平建设实施,推动清洁高效利用水平应提尽提,力争全面达到标杆水平。
对清洁高效利用水平低于基准水平的存量项目,引导企业有序开展煤炭清洁高效利用改造,加快推动企业减污降碳,坚决依法依规淘汰落后产能、落后工艺。
依据煤炭清洁高效利用重点领域标杆水平和基准水平,限期分批实施改造升级和淘汰。对需开展煤炭清洁高效利用改造的项目,各地应明确改造升级和淘汰时限(一般不超过3年)以及年度改造淘汰计划,在规定时限内升级到基准水平以上,力争达到标杆水平;对于不能按期改造完成的项目进行淘汰。加强煤炭清洁高效利用工艺技术装备研发和推广应用,促进形成强大国内市场。
全文如下
国家发展改革委等部门关于发布《煤炭清洁高效利用重点领域标杆水平和基准水平(2022年版)》的通知
各省、自治区、直辖市、新疆生产建设兵团发展改革委、工业和信息化主管部门、生态环境厅(局)、住房和城乡建设厅(委、管委、局)、市场监管局(厅、委)、能源局:
123456
0477-3856111